Apex Releases New 3-Phase Silicon Carbide Integrated Power Module
MSA303 delivers compact, high-efficiency motor drive performance with fully integrated gate drive and protection.
Product Overview
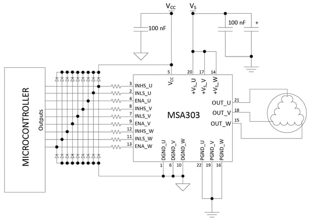
Apex Microtechnology announced the release of the MSA303, the latest member of our family of Integrated Power Modules. This device utilizes Silicon Carbide MOSFET technology to improve efficiency over other devices in its class. Three fully independent half-bridges provide 40 A of continuous current.
By integrating three half-bridges, gate drive circuitry, and protection features into a single module, the MSA303 supports system designs where size, weight, and power (SWaP) are critical. Its compact architecture enables high-power delivery within a small footprint, helping engineers optimize space in demanding application environments.
- Three fully independent half-bridges
- Integrated gate driver
- High output current - 40A
- High voltage supply - 600V
- Compact design - 30.5mm x 41.9mm body size
The MSA303 is built on a thermally conductive, but electrically isolated substrate to provide versatility and ease in heatsinking. Protection features include under-voltage lockout (UVLO) and Active Miller clamping to improve reliability. Silicon Carbide Schottky Barrier free-wheeling diodes are included in parallel with the body diode of each MOSFET, eliminating the need for external output protection diodes.
The integrated gate drivers provide isolation between the inputs and high-voltage outputs, and by integrating the gate drive with the output MOSFETs, parasitics that impact switching behavior are kept at a minimum. This improves switching characteristics while reducing potential oscillations.
Pushing Boundaries
“The MSA303 represents a significant step forward in power density for high-voltage motor drive applications,” said Jens Eltze, Director of Business Development at Apex Microtechnology. “By combining Silicon Carbide MOSFETs, integrated gate drive, and comprehensive protection features into a single module, we enable engineers to reduce design risk, improve efficiency, and accelerate time to market. This product reflects our continued commitment to delivering high-performance power analog solutions for demanding applications.”
Vertical Mounting 22-Pin DIP KU Package
Typical Applications
The MSA303 is designed primarily to drive Brush-Less DC (BLDC), Permanent Magnet Synchronous (PMSM) motors or, DC/AC converters. Typical applications include, but are not limited to: Motor Control, Variable Frequency Drives, DC/AC Converters, Power Inverters, and Test Equipment.
Pricing, Availability, and Evaluation Tools
The MSA303 is currently in volume production with sample units available for qualified applications. For additional details on availability, device lead-times, and pricing please contact your authorized Apex Microtechnology local sales representative or distribution partner for your region. To support rapid prototyping and device evaluation, Apex offers the EK94 evaluation kit for MSA303. Complete product information is available online on MSA303's product page. For technical support, contact Apex Applications Engineering by emailing apex.support@apexanalog.com.
- The Apex Microtechnology Team


